WILO Yonos MAXO 50/0,5-12 PN6/10 Bezdławnicowa pompa obiegowa 2120651
Kod: 2120651
Opis
Pompa najwyższej sprawności Wilo-Yonos MAXO - Regulowana elektronicznieBezdławnicowa pompa obiegowa, silnik synchroniczny zgodnie z technologią ECM i zintegrowany układ regulacji wydajności do bezstopniowej regulacji różnicy ciśnień. Zastosowanie we wszystkich instalacjach grzewczych, wentylacyjnych i klimatyzacyjnych.
Standardowo dostępne funkcje:
• Możliwość wyboru rodzajów regulacji w celu optymalnego dopasowania do obciążenia: ?p-c (stała różnica ciśnień), ?p-v (zmienna różnica ciśnień)
• 3 stopnie prędkości obrotowej (n = stałe)
• Wyświetlacz LED umożliwiający ustawienie wartości zadanej i wskazanie komunikatów o awarii.
• Złącze elektryczne z wtyczką Wilo.
• Lampka sygnalizacji awarii i styk do zbiorczej sygnalizacji awarii
Dane hydrauliczne
• Przepływ maks.: 31,2 m3/h
• Wysokość podnoszenia maks.: 12.00 m
• Współczynnik sprawności energetycznej (EEI): 0.20
Dane produktu
• Maks. ciśnienie robocze: 10 bar
• Maks. temperatura otoczenia: 40 °C
• Temperatura otoczenia min.: -20 °C
• Maks. temperatura przetłaczanej cieczy: 110 °C
• Min. temperatura przetłaczanej cieczy: -10 °C
Dane silnika
• Przyłącze sieciowe: 1~230 V ±10%, 50/60 Hz
• Maks. wejście prądowe P1: 600 W
• Pobór mocy (min): 15 W
• Prąd znamionowy: 2,65 A
• Prąd znamionowy: 0,17 A
• Prędkość obrotowa maks.: 4600 rpm
• Prędkość obrotowa min.: 950 rpm
• Klasa izolacji: F
• Stopień ochrony: IPX4D
• Generowanie zakłóceń: EN 61800-3;2004+A1;2012 / środowisko mieszkalne (C1)
• Odporność na zakłócenia: EN 61800-3;2004+A1;2012 / środowisko przemysłowe (C2)
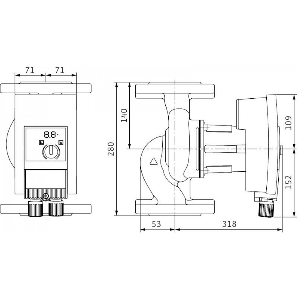
Wymiary montażowe:
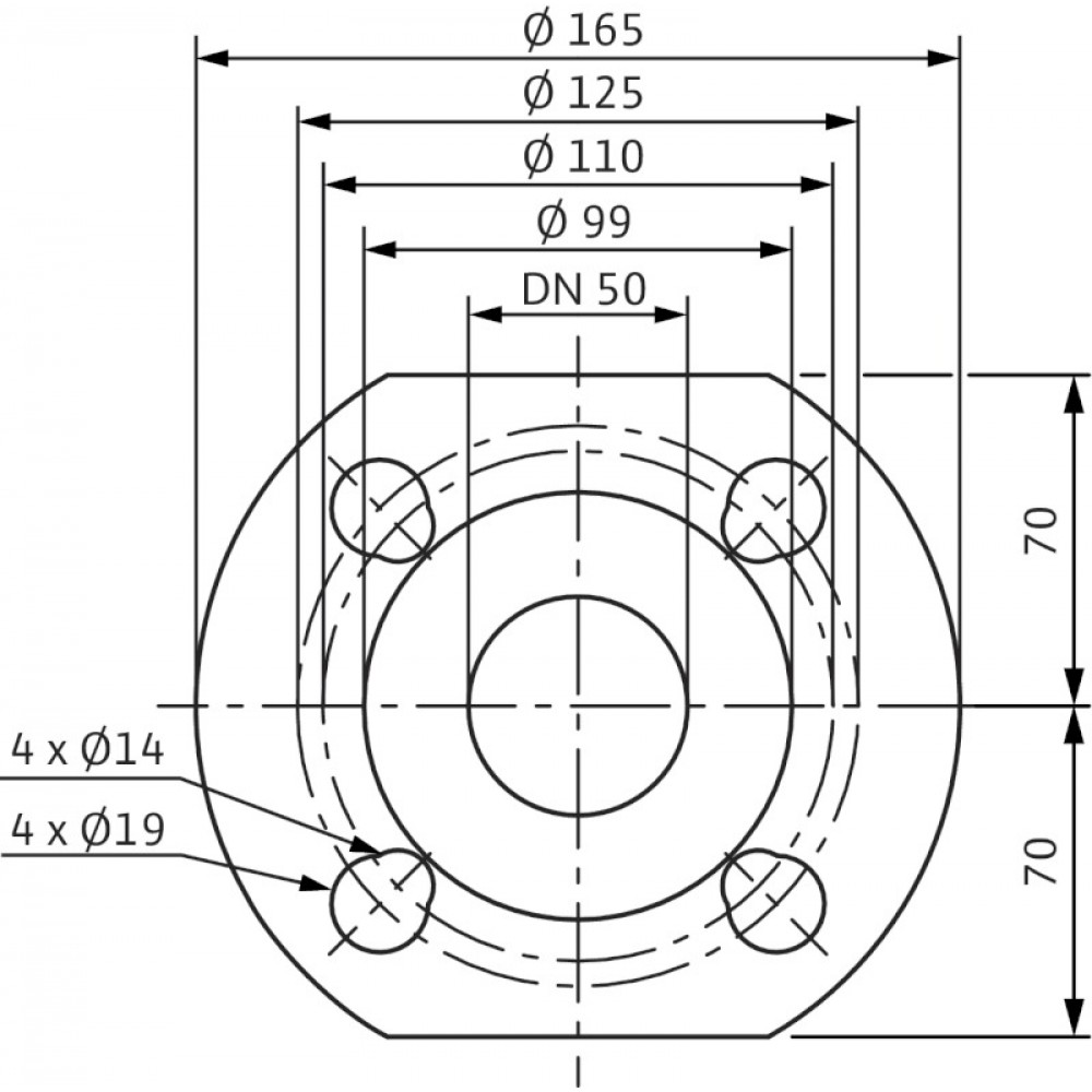
• Przyłącze gwintowane po stronie tłocznej: DN 50
• Przyłącze gwintowane po stronie ssawnej: DN 50
• Długość montażowa: 280 mm
Materiały:
• Magazyn materiału: Carbon, metal impregnated
• Wirnik: PPS-GF40
• Korpus pompy: 5.1300, EN-GJL-250
• Wał: 1.4034, X46Cr13
Zdjęcia mogą różnić się od oryginalnego produktu/przedmiotu.
- Pro odeslání do Česka navštivte WILO Yonos MAXO 50/0,5-12 PN6/10 Oběhové čerpadlo 2120651
- Magyarországra történő szállítás WILO Yonos MAXO 50/0,5-12 PN6/10 Nedvestengelyű keringetőszivattyú 2120651
- Pre odoslanie na Slovensko navštívte WILO Yonos maxo 50/0,5-12 PN6/10 Obehové čerpadlo 2120651
Opinie (0)
Napisz opinie
Ocena: Złe Dobre
Wpisz kod w polu poniżej:




















